Description
Rockwell M3 Hi-Performance Independent Dual Vertical and Horizontal adjustable hinge comes standard with a Lift off feature along with a concealed ball bearing and a Non-Removable Pin.
The Rockwell M3 hinges are available in Steel, Stainless Steel or Solid Brass in coated and architectural finishes.
Lift-Off Feature
The Lift-Off Feature allows for the easiest removal and installation of the door panel to and from the door frame where NO Tools are required, saving time and money.
Hi-Performance
Independently third party tested to exceed ANSI/BHMA 156.1 Grade 3 standard for 350,000 cycles with 3 hinges on a 180 lbs door panel.
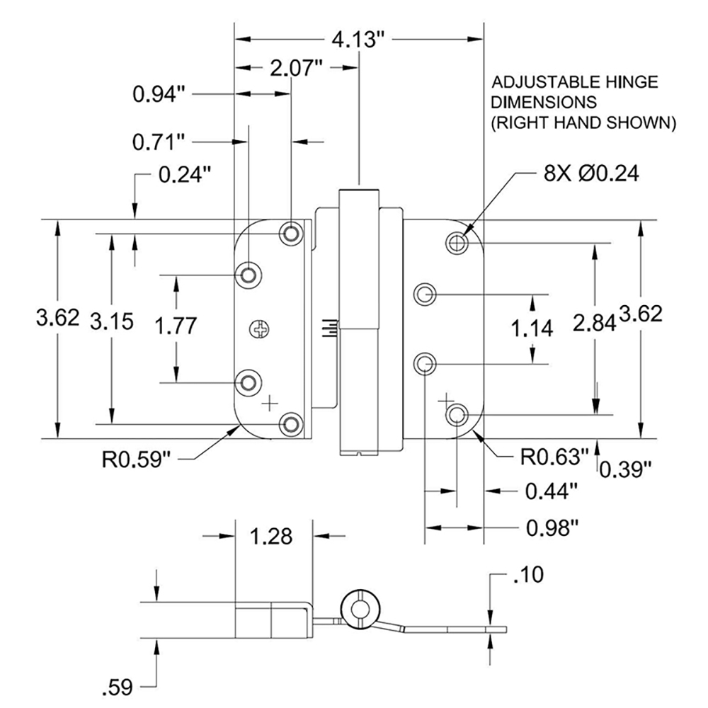
Adjustability
Independent Dual vertical and horizontal adjustment comes standard on all hinges. No separate set and guide hinges.
1/4″ Vertical Adjustment with a heavy duty 7/16″ hex head vertical adjustment screw that incorporates a ball bearing. Only 2-1/2 turns are required each way with a visual adjustment indicator.
5/16″ horizontal adjustment with a combination head screw allows the use of either a Phillips or Flat head screw driver. Only 4 turns max are needed each way for 5/16″ horizontal adjustment.
One step industry standard routing with 5/8″ corner radius simplifies door preparation. Fits industry standard template making it suitable for new installations or replacements.
Strength and Durability
Heavy Gauge All Metal Construction.
No Plastic or Synthetic Parts.
Heavy Duty 7/16″ diameter Pin for extra strength.
Concealed ball bearing located inside the hinge knuckle that makes for an aesthetically cleaner look.
Smooth Operation
Heavy Duty Pin sits on a Concealed Hardened 3/8″ Ball Bearing providing ease of operation and improving cycle life.
Security
Built-in Non-removable Pin comes standard making it suitable for both Inswing and Outswing Applications
Maximum adjusted door weight : 180 lbs. 3 hinges or 240 lbs. 4 hinges.







